Przejdź do głównej treści
Zamknij wyszukiwarkę Wyczyść Szukaj
Produkty w koszyku: 0. Zobacz szczegóły

Twój koszyk jest pusty

MOUNTFIELD

Ostrza końcówki noży Combi deck 85 95 105 Mountfield 2105M 2125H 4135H 4140H 4155H

Przejdź do sekcji Opinie

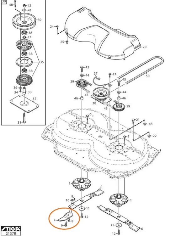
Zestaw ostrzy noży, końcówki tnące noży do kosiarki deck Combi 85 95 105. Stiga Park Villa Ready Mirage, Castelgarden XK XK4 XM, GGP Master Okay, Mountfield Serie 2000: Mountfield 2105M, 2125H; Serie 4000: Mountfield 4135H, 4140H, 4155H. Zestaw końcówek noża (ostrzy wymiennych) wraz ze śrubami montażowymi, przeznaczony do agregatów koszących Combi deck o szerokości koszenia 85 cm, 95 cm oraz 105 cm. Zamiennik do oryginalnych nr katalogowych części: GGP: 1134-9119-01; STIGA: 1134-6238-01, 1134-7880-01, 1134-9119-01, 1134-9119-02.

Przejdź do pełnego opisu
z VAT bez VAT
Cena 69,42 zł
w tym 23% VAT

Ceny podane bez kosztów dostawy.

szt.
Dostępność:
towar dostępny
Czas wysyłki: 2-3 dni robocze
Opis Atrybuty Dodatkowe informacje Bezpieczeństwo Opinie Pliki

Opis

Zestaw ostrzy noży, końcówki tnące noży do kosiarki deck Combi 85 95 105

Stiga Park Villa Ready Mirage

Castelgarden XK XK4 XM

GGP Master Okay

Mountfield Serie 2000: Mountfield 2105M, 2125H; Serie 4000: Mountfield 4135H, 4140H, 4155H

Wymienne końcówki noży tnących (ostrza) stosowane w agregatach koszących traktorków i kosiarek samojezdnych marki Stiga, GGP, Castelgarden, Mountfield.

Zestaw końcówek noża (ostrzy wymiennych) wraz ze śrubami montażowymi, przeznaczony do agregatów koszących Combi deck o szerokości koszenia 85 cm, 95 cm oraz 105 cm.

Cena za komplet na jeden nóż (jak na foto), 2 ostrza + 4 śruby z nakrętkami.

Komplet ostrzy wymiennych (na jeden nóż) dokręcanych do noży głównych.

Zestaw zawiera:

ostrza x 2

śruby x 4

nakrętki x 4

Specyfikacja techniczna części:

  • Typ części: Zestaw ostrzy (skrzydełek / końcówek) noża.
  • Długość: 165 mm.
  • Średnica otworu centralnego: 11,3 mm.
  • Średnica otworu bocznego: 6,3 mm.
  • Rozstaw otworów montażowych: 31 mm (środek – środek).
  • Szerokość: ok. 60 mm.
  • Zastosowanie: Modele z agregatami tnącymi typu Combi deck 85, 95 oraz 105.
  • Zawartość zestawu: Komplet zawiera 2 sztuki ostrzy wraz ze śrubami montażowymi i nakrętkami.

Zamiennik do oryginalnych nr katalogowych części:

GGP: 1134-9119-01

STIGA: 1134-6238-01, 1134-7880-01, 1134-9119-01, 1134-9119-02

Kompatybilne modele kosiarek:

Część ta jest montowana w popularnych modelach traktorów ogrodowych i kosiarkach z agregatami tnącymi z przodu:
  • Stiga Park: Park 85 Combi, Park 95 Combi, Park 105 Combi.
  • Stiga Villa: Villa 85 Combi, Villa 95 Combi, Villa 105 Combi.
  • Stiga Ready: Ready 85 Combi.
  • Castelgarden: Wybrane modele Deck 85 / 95 / 105 Combi.

Marka Mountfield

Ostrza te pasują do traktorków z przednim agregatem tnącym (front mower) typu Combi o szerokościach 85, 95 i 105 cm:

  • Serie 2000: Mountfield 2105M, 2125H.
  • Serie 4000: Mountfield 4135H, 4140H, 4155H.
  • Modele specyficzne: Mountfield 1125 M. 

Marka Castelgarden (GGP)

W kosiarkach Castelgarden części te montowane są w agregatach oznaczonych jako Deck Combi:

  • Castelgarden Deck 85 Combi (np. modele XM 85).
  • Castelgarden Deck 95 Combi (np. modele XM 95).
  • Castelgarden Deck 105 Combi (np. modele XM 105). 

Inne marki grupy GGP

Dzięki unifikacji części w ramach grupy GGP, ostrza te znajdziesz również w urządzeniach:

  • Alpina: Wybrane modele z agregatami tnącymi typu Combi (podobnie jak w Stiga/Castelgarden).
  • Atco: Niektóre modele Riderów z przednim kosiskiem.

Ważna uwaga techniczna:
W przypadku tych marek kluczowa jest identyfikacja numeru artykułu (Art. No.) agregatu tnącego (znajdziesz go na naklejce na kosisku).

Przykładowe zastosowanie ostrzy do kosiarki:

Castelgarden

Castelgarden Combi 85 QF, 85C QF, 2021, 2D5808513/C20

Castelgarden COUPE 95H BÍAL MASTER (2WD), 2010, 13-2964-24

Castelgarden DECK 105 C EL FOR XK+XK4 (2+4WD), 2009, 13-2974-73

Castelgarden DECK 105 C EL FOR XK4 (4WD), 2010, 13-2974-74

Castelgarden DECK 105 C FOR XK /CA, 2007, 13-2972-41

Castelgarden DECK 105 C FOR XK /CA, 2008, 13-2972-42

Castelgarden DECK 105 C FOR XK /RU, 2007, 13-2972-81

Castelgarden DECK 105 C FOR XK, 2008, 13-2972-82

Castelgarden DECK 105 C FOR XK+XK4 (2+4WD), 2009, 13-2972-73

Castelgarden DECK 105 C FOR XK+XK4 (2+4WD), 2010, 13-2972-74

Castelgarden DECK 105 C FOR XK4 /CA, 2007, 13-2972-51

Castelgarden DECK 105 C FOR XK4 /CA, 2008, 13-2972-52

Castelgarden DECK 105 C FOR XK4 /RU, 2007, 13-2972-71

Castelgarden DECK 105 C FOR XK4, 2008, 13-2972-72

Castelgarden DECK 105 C FOR XM, 2008, 13-2970-82

Castelgarden DECK 105 C FOR XM, 2009, 13-2970-83

Castelgarden DECK 105 C FOR XM, 2010, 13-2970-84

Castelgarden Deck 105 Combi EL for XK and XK4, 105C E, 2018, 2D6210523/C16

Castelgarden DECK 105 Combi EL XK-XK4, 105C E, 2016, 2D6210523/C16

Castelgarden Deck 105 Combi for XK, Deck 105 Combi for XK, 2015, 13-2972-74

Castelgarden DECK 105 Combi for XK+XK4, 2011, 13-2972-74

Castelgarden DECK 105 Combi for XM, 2011, 13-2970-84

Castelgarden Deck 105 Combi, 2012, 13-2970-84

Castelgarden Deck 105 Combi, 2012, 13-2972-74

Castelgarden Deck 105 EL Combi for XK and XK4, 105C E, 2019, 2D6210523/C16

Castelgarden Deck 105 EL Combi for XK and XK4, 105C E, 2020, 2D6210523/C16

Castelgarden DECK 105 EL Combi for XK and XK4, 105C E, 2021, 2D6210523/C16

Castelgarden DECK 85 C FOR XM, 13-2960-43

Castelgarden DECK 85 C FOR XM, 2007, 13-2960-41

Castelgarden DECK 85 C FOR XM, 2007, 13-2960-81

Castelgarden DECK 85 C FOR XM, 2008, 13-2960-42

Castelgarden DECK 85 C FOR XM, 2008, 13-2960-82

Castelgarden DECK 85 C FOR XM, 2009, 13-2960-83

Castelgarden DECK 85 C FOR XM, 2010, 13-2960-84

Castelgarden DECK 85 Combi  XM, 85C, 2016, 13-2960-84

Castelgarden DECK 85 Combi for XM, 2011, 13-2960-84

Castelgarden Deck 85 Combi for XM, 85C, 2018, 13-2960-84

Castelgarden Deck 85 Combi for XM, 85C, 2019, 13-2960-84

Castelgarden Deck 85 Combi for XM, 85C, 2020, 13-2960-84

Castelgarden Deck 85 Combi for XM, Deck 85 Combi for XM, 2015, 13-2960-84

Castelgarden Deck 85 Combi, 2012, 13-2960-84

Castelgarden DECK 95 C (2+4WD), 2009, 13-2964-73

Castelgarden DECK 95 C (2+4WD), 2010, 13-2964-74

Castelgarden DECK 95 C (2+4WD), 2011, 13-2964-74

Castelgarden DECK 95 C /CA, 2007, 13-2964-51

Castelgarden DECK 95 C /CA, 2008, 13-2964-42

Castelgarden DECK 95 C /CA, 2008, 13-2964-52

Castelgarden DECK 95 C EL FOR XK+XK4 (2+4WD), 2009, 13-2967-73

Castelgarden DECK 95 C EL FOR XK+XK4 (2+4WD), 2010, 13-2967-74

Castelgarden DECK 95 C FOR XK /CA, 2007, 13-2964-41

Castelgarden DECK 95 C FOR XK /RU CZ, 2007, 13-2964-81

Castelgarden DECK 95 C FOR XK, 2008, 13-2964-82

Castelgarden DECK 95 C FOR XK4 /RU CZ, 2007, 13-2964-71

Castelgarden DECK 95 C FOR XM, 13-2963-43

Castelgarden DECK 95 C FOR XM, 2007, 13-2963-41

Castelgarden DECK 95 C FOR XM, 2007, 13-2963-81

Castelgarden DECK 95 C FOR XM, 2008, 13-2963-42

Castelgarden DECK 95 C FOR XM, 2008, 13-2963-82

Castelgarden DECK 95 C FOR XM, 2009, 13-2963-83

Castelgarden DECK 95 C, 2008, 13-2964-72

Castelgarden DECK 95 C, 2011, 13-2964-71

Castelgarden Deck 95 Combi XK, 95CP, 2017, 13-2964-74

Castelgarden Deck 95 Combi XM, 95CV, 2017, 13-2963-84

Castelgarden Deck 95 Combi EL for XK and XK4, 95CP E, 2018, 2D6209523/C16

Castelgarden DECK 95 Combi EL XK-XK4, 95CP E, 2016, 2D6209523/C16

Castelgarden Deck 95 Combi for XK and XK4, 95CP, 2018, 13-2964-74

Castelgarden Deck 95 Combi for XK and XK4, 95CP, 2019, 13-2964-74

Castelgarden Deck 95 Combi for XK and XK4, 95CP, 2020, 13-2964-74

Castelgarden DECK 95 Combi for XK, 2012, 13-2964-74

Castelgarden DECK 95 Combi for XK, 2015, 13-2964-74

Castelgarden Deck 95 Combi for XM, 2010, 13-2963-84

Castelgarden Deck 95 Combi for XM, 2011, 13-2963-84

Castelgarden Deck 95 Combi for XM, 2012, 13-2963-84

Castelgarden Deck 95 Combi for XM, 95CV, 2018, 13-2963-84

Castelgarden Deck 95 Combi for XM, 95CV, 2019, 13-2963-84

Castelgarden Deck 95 Combi for XM, 95CV, 2020, 13-2963-84

Castelgarden DECK 95 Combi for XM, 95CV, 2021, 13-2963-84

Castelgarden Deck 95 Combi for XM, Deck 95 Combi for XM, 2015, 13-2693-84

Castelgarden Deck 95 EL Combi for XK and XK4, 95CP E, 2019, 2D6209523/C16

Castelgarden Deck 95 EL Combi for XK and XK4, 95CP E, 2020, 2D6209523/C16

Castelgarden DECK 95 EL Combi for XK and XK4, 95CP E, 2021, 2D6209523/C16

GGP

GGP COUPE 95H BÍAL MASTER (2WD), 2009, 13-2964-23

GGP COUPE 95H BÍAL MASTER, 2007, 13-2964-21

GGP COUPE 95H BÍAL MASTER, 2008, 13-2964-22

GGP DECK OKAY 95 C / 4WD, 2010, 13-2964-54

GGP DECK OKAY 95 C / 4WD, 2011, 13-2964-54

GGP MOWER DECK 105 Combi 4WD, 2008, 13-2972-02

GGP MOWER DECK 105 Combi, 2007, 13-2972-01

GGP MOWER DECK 105 Combi, 2007, 13-2972-91

GGP MOWER DECK 105 Combi, 2008, 13-2972-92

GGP MOWER DECK 105 Combi, 2009, 13-2972-03

GGP MOWER DECK 85 Combi, 2007, 13-2960-91

GGP MOWER DECK 85 Combi, 2008, 13-2960-92

GGP MOWER DECK 85 Combi, 2009, 13-2960-93

GGP MOWER DECK 95 Combi 4WD, 2008, 13-2964-02

GGP MOWER DECK 95 Combi, 2007, 13-2963-91

GGP MOWER DECK 95 Combi, 2007, 13-2964-01

GGP MOWER DECK 95 Combi, 2007, 13-2964-91

GGP MOWER DECK 95 Combi, 2008, 13-2963-92

GGP MOWER DECK 95 Combi, 2008, 13-2964-92

GGP MOWER DECK 95 Combi, 2009, 13-2963-93

GGP MOWER DECK 95 Combi, 2009, 13-2964-03

Mountfield

Mountfield DECK 105 C /2+4WD/ 4000, 2010, 13-2972-04

Mountfield DECK 85 C, 2010, 13-2960-94

Mountfield DECK 95 C, 2010, 13-2963-94

Mountfield DECK 95 C/2+4WD/ 4000 SERIES, 2010, 13-2964-04

Mountfield DECK 95 C/2+4WD/ 4000 SERIES, 2011, 13-2964-04

Stiga

Stiga Combi 85 M Q, 85C QF, 2022, 2D5808511/ST2

Stiga Combi 85 M Q, 85C QF, 2023, 2D5808511/ST2

Stiga Combi 95 Electric QUICK FILP (for Park 220), 95C E QF, 2022, 2D5809521/S16

Stiga Combi 95 Q PLUS, 95CP E QF, 2022, 2D6209521/ST2

Stiga Combi 95 Q Plus, 95CP E QF, 2023, 2D6209521/ST2

Stiga Combi 95 Q, 95C E QF, 2022, 2D5809521/ST2

Stiga Combi 95 Q, 95C E QF, 2023, 2D5809521/ST2

Stiga Cuttingdeck Park 105 C EL, 105C E, 2019, 2D6210521/S16

Stiga Cuttingdeck Park 105 Combi EL QF, 105C E QF, 2020, 2D6210521/ST1

Stiga Cuttingdeck Park 85 Combi QF, 85C QF, 2019, 2D5808511/S16

Stiga Cuttingdeck Park 85 Combi QF, 85C QF, 2020, 2D5808511/S16

Stiga Cuttingdeck Park 95 Combi EL QF, 95CP E QF, 2020, 2D6209521/ST1

Stiga Cuttingdeck Park 95 Combi EL, 95CP E, 2019, 2D6209521/S16

Stiga Cuttingdeck Park 95 Combi, 95CP, 2019, 2D6209511/S16

Stiga Cuttingdeck Park 95 Combi, 95CP, 2020, 2D6209511/S16

Stiga Cuttingdeck VILLA 85 Combi, 85C, 2019, 2D2708511/S16

Stiga Cuttingdeck VILLA 85 Combi, 85C, 2020, 2D2708511/S16

Stiga Cuttingdeck VILLA 95 Combi EL, 95CV E, 2019, 2D2709521/S16

Stiga Cuttingdeck VILLA 95 Combi EL, 95CV E, 2020, 2D2709521/S16

Stiga DECK 85 Combi    / BLACK, 2014, 13-2960-70

Stiga DECK Park 105 C /2+4WD (ANSI), 2010, 13-2972-34

Stiga DECK Park 105 C /2+4WD (ANSI), 2011, 13-2972-34

Stiga DECK Park 105 C EL /2+4WD (ANSI), 2010, 13-2974-34

Stiga DECK Park 105 C EL /2+4WD (ANSI), 2011, 13-2974-34

Stiga Deck Park 105 C EL, 105C E, 2018, 2D6210521/S16

Stiga Deck Park 105 Combi EL, 105C E, 2016, 2D6210521/S16

Stiga Deck Park 105 Combi EL, 105C E, 2017, 2D6210521/S16

Stiga Deck Park 105 Combi El, 2012, 13-2972-34

Stiga Deck Park 105 Combi El, 2012, 13-2974-34

Stiga Deck Park 105 Combi El, 2013, 13-2974-34

Stiga Deck Park 105 Combi El, 2014, 13-2972-34

Stiga Deck Park 105 Combi El, 2014, 13-2974-34

Stiga Deck Park 105 Combi EL, Deck Park 105 Combi EL, 2015, 13-2974-35

Stiga Deck Park 85 Combi QF, 85C QF, 2016, 2D5808511/S16

Stiga Deck Park 85 Combi QF, 85C QF, 2017, 2D5808511/S16

Stiga Deck Park 85 Combi QF, 85C QF, 2018, 2D5808511/S16

Stiga DECK Park 95 C EL /2+4WD (ANSI), 2010, 13-2967-34

Stiga DECK Park 95 C EL /2+4WD (ANSI), 2011, 13-2967-34

Stiga Deck Park 95 C EL, 95CP E, 2016, 2D6209521/S16

Stiga Deck Park 95 C EL, 95CP E, 2017, 2D6209521/S16

Stiga Deck Park 95 C, Deck Park 95 Combi, 2014, 13-2964-34

Stiga DECK Park 95 C/2+4WD (ANSI), 2010, 13-2964-34

Stiga DECK Park 95 C/2+4WD (ANSI), 2011, 13-2964-34

Stiga Deck Park 95 Combi El, 2014, 13-2967-34

Stiga Deck Park 95 Combi EL, 95CP E, 2018, 2D6209521/S16

Stiga Deck Park 95 Combi EL, Deck Park 95 Combi EL, 2015, 13-2967-35

Stiga Deck Park 95 Combi, 95CP, 2016, 2D6209511/S16

Stiga Deck Park 95 Combi, 95CP, 2017, 2D6209511/S16

Stiga Deck Park 95 Combi, 95CP, 2018, 2D6209511/S16

Stiga Deck Park 95 Combi, Deck Park 95 Combi, 2015, 13-2964-35

Stiga Deck Villa 105 Combi El, 2012, 13-2970-04

Stiga DECK VILLA 105 Combi, 2010, 13-2970-14

Stiga DECK VILLA 105 Combi, 2011, 13-2970-14

Stiga DECK VILLA 105 Combi, 2012, 13-2970-14

Stiga DECK VILLA 85 Combi, 2010, 13-2960-14

Stiga DECK VILLA 85 Combi, 2011, 13-2960-14

Stiga Deck Villa 85 Combi, 2012, 13-2960-14

Stiga Deck Villa 85 Combi, 85C, 2016, 2D2708511/S16

Stiga Deck Villa 85 Combi, 85C, 2017, 2D2708511/S16

Stiga Deck Villa 85 Combi, 85C, 2018, 2D2708511/S16

Stiga Deck Villa 85 Combi, Deck Villa 85 Combi, 2015, 13-2960-15

Stiga DECK VILLA 85 Combi, DECK VILLA 85, 2014, 13-2960-15

Stiga Deck Villa 95 C EL, 2014, 13-2965-15

Stiga DECK VILLA 95 Combi EL, 2010, 13-2965-14

Stiga DECK VILLA 95 Combi EL, 2011, 13-2965-14

Stiga Deck Villa 95 Combi El, 2012, 13-2965-14

Stiga Deck Villa 95 Combi EL, 95CV E, 2016, 2D2709521/S16

Stiga Deck Villa 95 Combi EL, 95CV E, 2017, 2D2709521/S16

Stiga Deck Villa 95 Combi EL, 95CV E, 2018, 2D2709521/S16

Stiga Deck Villa 95 Combi EL, Deck Villa 95 Combi EL, 2015, 13-2965-15

Stiga DECK VILLA 95 Combi, 2006, 13-2963-11

Stiga DECK VILLA 95 Combi, 2010, 13-2963-14

Stiga DECK VILLA 95 Combi, 2011, 13-2963-14

Stiga Deck Villa 95 Combi, 2012, 13-2963-14

Stiga DECK VILLA 95 Combi, DECK VILLA 95 Combi, 2014, 13-2963-15

Stiga Deck Villa 95 Combi, Deck Villa 95 Combi, 2015, 13-2963-15

Stiga Park 105 Combi 4WD, 2007, 13-2972-31

Stiga Park 105 Combi 4WD, 2007, 13-2974-31

Stiga Park 105 Combi 4WD, 2008, 13-2972-32

Stiga Park 105 Combi 4WD, 2008, 13-2974-32

Stiga Park 105 Combi, 2007, 13-2972-11

Stiga Park 105 Combi, 2007, 13-2974-11

Stiga Park 105 Combi, 2008, 13-2972-12

Stiga Park 105 Combi, 2008, 13-2974-12

Stiga Park 105 Combi, 2009, 13-2972-33

Stiga Park 105 Combi, 2009, 13-2974-33

Stiga Park 95 Combi 4WD, 2007, 13-2964-31

Stiga Park 95 Combi 4WD, 2007, 13-2967-31

Stiga Park 95 Combi 4WD, 2008, 13-2964-32

Stiga Park 95 Combi 4WD, 2008, 13-2967-32

Stiga Park 95 Combi EL QF (for Park 220), 95C E QF, 2016, 2D5809521/S16

Stiga Park 95 Combi EL QF (for Park 220), 95C E QF, 2017, 2D5809521/S16

Stiga Park 95 Combi EL QF (for Park 220), 95C E QF, 2018, 2D5809521/S16

Stiga Park 95 Combi EL QF (for Park 220), 95C E QF, 2019, 2D5809521/S16

Stiga Park 95 Combi EL QF (for Park 220), 95C E QF, 2020, 2D5809521/S16

Stiga Park 95 Combi, 2007, 13-2964-11

Stiga Park 95 Combi, 2007, 13-2966-11

Stiga Park 95 Combi, 2008, 13-2964-12

Stiga Park 95 Combi, 2008, 13-2966-12

Stiga Park 95 Combi, 2009, 13-2964-33

Stiga Park 95 Combi, 2009, 13-2967-33

Stiga Park Combi 105 Electric QUICK FILP, 105C E QF, 2021, 2D6210521/ST1

Stiga Park Combi 85 QUICK FILP, 85C QF, 2021, 2D5808511/S16

Stiga Park Combi 95 Electric QUICK FILP (for Park 220), 95C E QF, 2021, 2D5809521/S16

Stiga Park Combi 95 Electric QUICK FILP, 95C E QF, 2021, 2D6209521/ST1

Stiga Park Combi 95, 95CP, 2021, 2D6209511/S16

Stiga Park MIRAGE 5.0, 2011, 13-6090-11

Stiga Park MIRAGE 5.0, 2012, 13-6090-12

Stiga Park MIRAGE 5.0, 2013, 13-6090-13

Stiga READY/VILLA 85 Combi, 2007, 13-2960-11

Stiga READY/VILLA 85 Combi, 2008, 13-2960-12

Stiga READY/VILLA 85 Combi, 2009, 13-2960-13

Stiga VILLA 105 Combi, 2008, 13-2970-02

Stiga VILLA 105 Combi, 2008, 13-2970-12

Stiga VILLA 105 Combi, 2009, 13-2970-03

Stiga VILLA 105 Combi, 2009, 13-2970-13

Stiga VILLA 95 Combi, 2007, 13-2963-11

Stiga VILLA 95 Combi, 2007, 13-2965-11

Stiga VILLA 95 Combi, 2008, 13-2963-12

Stiga VILLA 95 Combi, 2008, 13-2965-12

Stiga VILLA 95 Combi, 2009, 13-2963-13

Stiga VILLA 95 Combi, 2009, 13-2965-13

Atrybuty

Atrybuty, cechy, nr referencyjne produktu

Parametry noży

  • Długość 165 mm
  • Otwór centralny 11,3 mm
  • Otwory boczne 6,3 mm
  • Rozstaw otworów bocznych 31 mm
  • Szerokość 60 mm
  • Grubość 3,5 mm
  • Nr oryginalny GGP: 1134-9119-01; STIGA: 1134-6238-01, 1134-7880-01, 1134-9119-01, 1134-9119-02
  • Dobór części zamiennych By ustalić prawidłowo część zamienną, należy skorzystać z oryginalnych rysunków części zamiennych odpowiedniego urządzenia i ustalić oryginalny nr katalogowy OE części oraz wymiary
  • Odpowiedni dobór części zamiennych

  • Nr referencyjne OEM GGP: 1134-9119-01; STIGA: 1134-6238-01, 1134-7880-01, 1134-9119-01, 1134-9119-02
  • Dobór części Nr katalogowy OEM określa jednoznacznie daną część, tylko dobór części po tym nr gwarantuje prawidłowość doboru, ponieważ w sprzętach o tej samej nazwie mogły być montowane różne części w zależności od daty produkcji.
  • Dodatkowe informacje

    Jakie noże do kosiarki, traktorka ogrodowego do koszenia trawy wybrać?

    Nasze noże, ostrza tnące do kosiarek są wykonane ze stali hartowanej dzięki czemu cechują się wysoką trwałością i odpowiedną twardością.  Noże są fabrycznie naostrzone i wyważone, co sprawia, że są gotowe do użycia, montażu w kosiarce. Produkt ten przywróci sprawność Twojej maszynie, zapewniając równe strzyżenie trawnika bez niepotrzebnego obciążania silnika. Dzięki zastosowaniu odpowiednich materiałów i geometrii, część ta sprawdza się doskonale w warunkach ogrodowych, gwarantując długą żywotność i odporność na typowe obciążenia eksploatacyjne.

    Dlaczego warto dbać o ostrość noża?

    Regularna wymiana lub ostrzenie noża to nie tylko kwestia estetyki, ale przede wszystkim zdrowia Twojego trawnika. Tępe ostrze nie tnie źdźbeł, lecz je szarpie i miażdży. Poszarpane końcówki trawy szybko wysychają i żółkną, co sprawia, że cały trawnik wygląda na zaniedbany i jest bardziej podatny na choroby grzybowe. Ostry nóż, jaki oferujemy, wykonuje czyste cięcie, dzięki czemu trawa szybciej się regeneruje i zachowuje soczystą zieleń.

    Kolejnym aspektem jest kondycja samego urządzenia. Tępy nóż stawia znacznie większy opór podczas koszenia. W przypadku kosiarek elektrycznych oznacza to, że silnik musi pracować pod większym obciążeniem, co prowadzi do jego szybszego nagrzewania się i zużycia. Wymieniając zużyty element tnący, przedłużasz żywotność zespołu napędowego swojej maszyny.

    Nie można też zapominać o bezpieczeństwie i komforcie pracy. Uszkodzony, pęknięty lub mocno wyszczerbiony nóż może wpaść w wibracje. Drgania te przenoszą się na całą kosiarkę, niszcząc łożyska i mocowania silnika, a w skrajnych przypadkach mogą doprowadzić do poważnej awarii. Jeśli zauważysz ubytki w metalu lub skrzywienie listwy, wymiana na nowy egzemplarz jest koniecznością.

    Wskazówki dotyczące eksploatacji

    Aby nowy nóż służył Ci jak najdłużej, warto przestrzegać kilku prostych zasad kon Serieswacji. Po każdym koszeniu zalecamy oczyszczenie noża oraz podwozia kosiarki z resztek trawy i błota. Zaschnięta warstwa brudu nie tylko sprzyja korozji, ale może również działać jak dodatkowy ciężar, zaburzając wyważenie układu wirującego.

    W trakcie pracy staraj się unikać najazdu na kamienie, wystające korzenie czy twarde przedmioty leżące w trawie. Kontakt z takimi przeszkodami to najczęstsza przyczyna trwałego uszkodzenia ostrza lub skrzywienia wału silnika. Pamiętaj, że nawet najlepsza stal ma swoje granice wytrzymałości przy uderzeniu punktowym.

    Zalecamy kontrolę stanu ostrza przynajmniej raz w sezonie lub częściej, jeśli kosisz duży obszar. Ostrzenie można przeprowadzić samodzielnie, jednak wpustowe jest zachowanie wyważenia noża po tym zabiegu. Jeśli po ostrzeniu jedna strona będzie lżejsza od drugiej, pojawią się wibracje. W przypadku naszego fabrycznie nowego noża problem ten masz z głowy — produkt jest precyzyjnie wyważony i gotowy do działania.

    Jak dobrać nóż do kosiarki spalinowej, kosiarki elektrycznej lub kosiarki traktorka?

    Najważniejszym parametrem, na który musisz zwrócić uwagę przed zakupem, jest długość listwy tnącej. Mierzona jest ona po przekątnej, od jednego końca ostrza do drugiego.

    Drugim krytycznym elementem jest otwór montażowy. Musi on idealnie pasować do piasty (uchwytu noża) w Twojej kosiarce.

    Warto również zweryfikować, czy nóż posiada dodatkowe otwory. Porównanie kształtu i rozmieszczenia otworów ze starym, zdemontowanym nożem to najpewniejsza metoda weryfikacji. Jeśli wygląd i wymiary się zgadzają, masz pewność, że montaż przebiegnie bezproblemowo.

    Nr katalogowy części nadany przez producenta danej maszyny, określa jednoznacznie daną część, tylko dobór części po tym nr gwarantuje prawidłowość doboru, ponieważ w sprzętach o tej samej nazwie mogły być montowane różne części w zależności od daty produkcji.

    Części mogą wyglądać podobnie, mieć podobne wymiary, jednak różnią się nr katalogowym OEM części.

    Sprawne koszenie i ochrona sprzętu

    Inwestycja w nowy nóż do kosiarki to niewielki wydatek, który przynosi wymierne korzyści. Otrzymujesz produkt wykonany z solidnej stali, który przywraca Twojemu urządzeniu fabryczną sprawność cięcia. Dzięki temu praca w ogrodzie staje się szybsza, cichsza i mniej męcząca, a trawnik zyskuje estetyczny wygląd.

    Jak każda część eksploatacyjna, której się używa, nóż do kosiarki zużywa się lub ulega uszkodzeniu, gdy np. podczas koszenia trafimy na kamień.

    Jakie mogą być objawy zużycia noża lub noży kosiarki?

    Trawa po skoszeniu ma blade, jasne końce lub / i źdźbła są poszarpane. Jest to typowy objaw zużycia noża kosiarki, czyli koszenia trawnika tępym, wyeksploatowanym nożem. Prawidłowa praca noży kosiarek ma bardzo duży wpływ na zużywanie się silnika, czyli najważniejszego elementu kosiarki. Uszkodzony, zużyty czy źle wyważony nóż kosiarki przenosi większe drgania na wał silnika i może przyczynić się po przedwczesnego zużycia i / lub poważnego uszkodzenia silnika spalinowego czy elektrycznego.

    Koszt naprawy, nie mówiąc już o wymianie silnika, z pewnością wielokrotnie przekroczy koszt zakupu nowego noża do kosiarki, nawet kompletu noży do kosiarek o kosiskach na 2, 3 lub 4 noże tnące.

    Pamiętajmy też, by kosić suchą trawę, nie po deszczu i po wyparowaniu rosy. Często trawa zostaje, źle się kosi, gdy jest mokra.

    Kiedy ostrzenie noża, noży naszej kosiarki nie ma już sensu, a dalsze używanie zużytego / uszkodzonego noża grozi uszkodzeniem kosiarki, pora na zakup nowego.

    Większość producentów np.: 

    HUSQVARNAHONDAPARTNERSTIGAMTDMURRAYOLEO-MACSOLOAL-KOCASTEL GARDEN

    montuje w swoich kosiarkach noże własnego projektu o konkretnych parametrach, ale najwięksi na świecie producenci kosiarek posiadają w swej ofercie kilka czy nawet kilkanaście marek i stosują w nich te same podzespoły / części.

    Najważniejsze, aby nowy nóż do kosiarki miał taką samą długość jak fabryczny, identyczne otwory montażowe oraz właściwy profil w zależności od typu kosiarki. Istnieją kosiarki z wyrzutem trawy do kosza (elektryczne i spalinowe), kosiarki z funkcją mielenia tzw. mulczujące (z ang. „mulching”), które dzięki specjalnej budowie noża (wygiętego pod dwoma kątami) mielą i rozdrabniają trawę na kawałki.

    Dzięki temu tak spreparowana trawa może pozostać na trawniku i ulegnie rozkładowi jako naturalny nawóz, stąd zazwyczaj kosiarki – mulczery nie posiadają kosza zbiorczego na trawę. Trzecia grupa kosiarek to kosiarki z wyrzutem bocznym trawy (tną trawę i wyrzucają na bok, nie do kosza). Są też kosiarki wielofunkcyjne, które mogą kosić ze zbieraniem do kosza, z wyrzutem na bok i z mieleniem trawy – posiadają wszystkie wymienione możliwości.

    Typy - profile noży do kosiarek

    Spośród listew tnących do kosiarek możemy wyróżnić następujące rodzaje:

    • noże proste – posiadające całkowicie prosty profil lub z lekko zagiętymi końcami - są zalecane do kosiarek bez kosza zbierającego, ponieważ mają mniejszą siłę odrzutu trawy do tyłu
    • noże z łopatkami – dzięki dodatkowym wygiętym łopatkom zagarniającym z większą siłą wyrzucają one trawę, przez co polecane są do kosiarek z tylnym koszem zbiorczym na trawę
    • noże mielące (mulczujące) – są powyginane, pofalowane, tak jakby, ktoś skręcił nóż prosty wokół jego osi wzdłużnej, dzięki czemu mielą i rozdrabniają trawę na kawałeczki

    Długość noża kosiarki mierzymy po przekątnej, czyli w najdłuższym miejscu. Tak podawane są długości noży kosiarek przez producentów i sprzedawców.

    Bezpieczeństwo

    Bezpieczeństwo, informacje GPSR

    Opinie

    Opinie i recenzje produktu

    0.00
    Liczba ocen: 0
    Oceń i opisz

    Pliki