Przejdź do głównej treści
Zamknij wyszukiwarkę Wyczyść Szukaj
Produkty w koszyku: 0. Zobacz szczegóły

Twój koszyk jest pusty

PARTNER

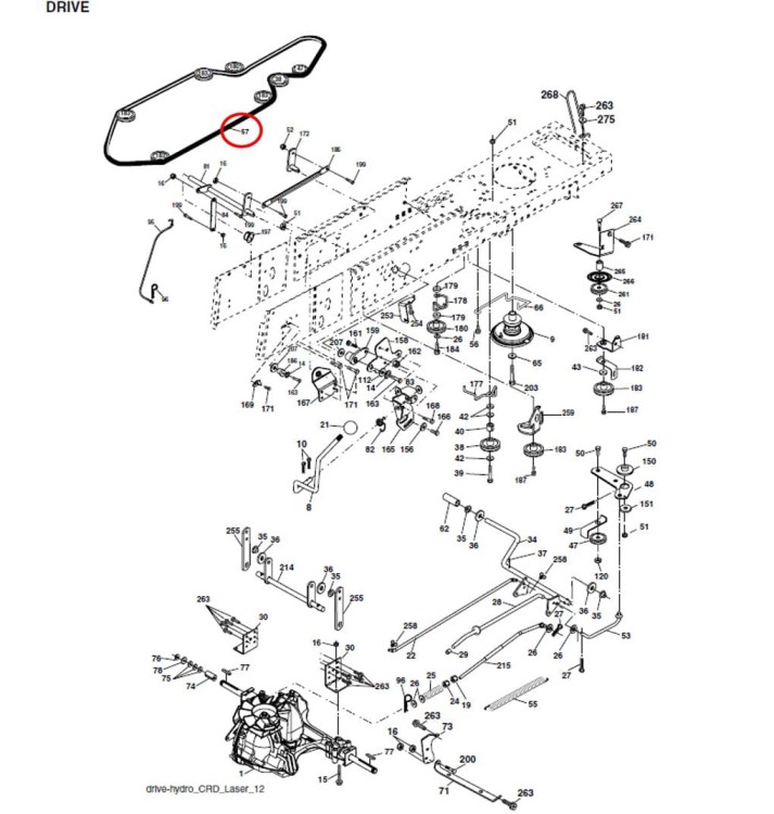
Pasek jazdy do PARTNER P145107HRB P185107HRB P200107HRB hydro kosz

Przejdź do sekcji Opinie

Pasek klinowy napędu jazdy do kosiarki traktorka ogrodowego i innych maszyn. Przykładowe zastosowanie: Traktorki Husqvarna CT154 CTH164T CTH172 CTH174 CTH2138R TS138 TC138 TC238 TC338 CTH150 Twin CTH200 i inne traktorki Husqvarna Craftsman 917254210 Electrolux z koszem i przekładnią hydro. Zamiennik do oryginalnych nr katalogowych części OEM: 170140 441834 532170140 532 17 01-40 583 03 67-01 532 44 18-34 532 44 18-36 583036701 532441834 532441836 583 56 06-01 583560601

Przejdź do pełnego opisu
z VAT bez VAT
Cena 93,56 zł
w tym 23% VAT

Ceny podane bez kosztów dostawy.

szt.
Dostępność:
towar dostępny
Czas wysyłki: 3-5 dni roboczych
Opis Atrybuty Bezpieczeństwo Opinie Pliki

Opis

Pasek klinowy napędu jazdy do kosiarki traktorka ogrodowego z koszem i przekładnią hydro

Przykładowe zastosowanie:

Traktorki Husqvarna CT154 CTH164T CTH172 CTH174 CTH2138R TS138 TC138 TC238 TC338 CTH150 Twin CTH200 i inne traktorki Husqvarna Craftsman 917254210 Electrolux z koszem i przekładnią hydro.

AYP / ROPER BM125M92EJD, BM135B92HRBK, BM1397HRBK11, BM145B107HRBK, BM155H107RBA, BM155H107RBB, BM18H107RBA, BM20H107RBK11

BERNARD LOISIRS BL1336RB, 1542RB, BL16542RB, BL16542RBA, BL18H107RB, BL18H107RBA, BL14592RBH, BL145H92RBB, BL16536RBHK, BL165H36RBB, BL165H92RBA, BL16592RBHK, BL165H92RBB

ELECTROLUX UN135H92R 960610025, UN165H107RBK

HUSQVARNA CTH130, CTH140, CTH141, CTH150, CTH151, CTH155, CTH160, CTH163T, CTH171, CTH173, CTH174, CTH180, CTH180XP, CTH182T, CTH191, CTH192, CTH200, CTH210XP, CTH220, CTH222T, HUSQVARNA CTH150 TWIN 96061026000, CTH220 TWIN 96061026500

MACALLISTER MAC1392-AP, MA1336HRA, MAC15107-AP, MA15542RA

Mr BRICOLAGE MBA1392RBA, MBA1392RBB, MBA13T92RA, MBA15107RBA, MBA15107RBB, MBA15T107RA, MB17H107BRK, MB20107HBRK, MBA165107BRK, MBA20107HBR2

PARTNER P145107HRB, P185107HRB, P200107HRB

RALLY RE11CRD, REQ11CRDB, RE145H92RB, RE145H92RBA, RE145H92RBB, RE145H92RBK, RE145HCRD, REQ145HCRDA, RE145HCRD, REQ145HCRDB, RE155H107RBA, RE155H107RBB, RE155H107RBC, RE155H107RBK, RE175H107RBK, RE18H107RBK, RE20H107RBK, REB145HRB, REB145HRBA

VERTS LOISIRS VLB155H92BA, VL165H107RBA, VLB175H107BA

YARD-PRO HOP YP14597HRB, YP165107HRB, YP200107HRB

WIZARD WZ15536RDH

HOP Partner 97HRB 96051014300

Craftsman

917259121 Lawn Tractor

917253151 Lawn Tractor

917253160 Lawn Tractor

917253300 Lawn Tractor

917253310 Lawn Tractor

917253320 Lawn Tractor

917253321 Lawn Tractor

917253340 Lawn Tractor

917253350 Lawn Tractor

917253750 Lawn Tractor

917.253751 Lawn Tractor

917253930 Lawn Tractor

917254090 Lawn Tractor

917254091 Lawn Tractor

917254110 Lawn Tractor

917254120 Lawn Tractor

917254160 Lawn Tractor

917254161 Lawn Tractor

917254180 Lawn Tractor

917254181 Lawn Tractor

917254182 Lawn Tractor

917254200 Lawn Tractor

917254210 Lawn Tractor

917254211 Lawn Tractor

917254212 Lawn Tractor

917254600 Lawn Tractor

917254601 Lawn Tractor

917254602 Lawn Tractor

917277111 Riding Mower

917277120 Riding Mower

917277121 Riding Mower

917277122 Riding Mower

917277123 Riding Mower

917277180 Riding Mower

917277182 Riding Mower

917277260 Riding Mower

917277263 Riding Mower

917277650 Riding Mower

917274421 Riding Mower

917256970 Lawn Tractor

917257160 Lawn Tractor

917257161 Lawn Tractor

917257170 Lawn Tractor

917257190 Lawn Tractor

917257240 Lawn Tractor

917257241 Lawn Tractor

917257250 Lawn Tractor

917257251 Lawn Tractor

917257252 Lawn Tractor

917257260 Lawn Tractor

917257261 Lawn Tractor

917274460 Riding Mower

HUSQVARNA 35

HUSQVARNA CT131

HUSQVARNA CT151

HUSQVARNA CTH126

HUSQVARNA CTH130

HUSQVARNA CTH135

HUSQVARNA CTH140 TWIN

HUSQVARNA CTH141

HUSQVARNA CTH150

HUSQVARNA CTH150 TWIN

HUSQVARNA CTH150 XP

HUSQVARNA CTH151

HUSQVARNA CTH151 T

HUSQVARNA CTH151 XP

HUSQVARNA CTH155

HUSQVARNA CTH160

HUSQVARNA CTH160 II

HUSQVARNA CTH163 T

HUSQVARNA CTH170

HUSQVARNA CTH171

HUSQVARNA CTH172

HUSQVARNA CTH173

HUSQVARNA CTH1736

HUSQVARNA CTH174

HUSQVARNA CTH180 TWIN

HUSQVARNA CTH180 XP

HUSQVARNA CTH182 T

HUSQVARNA CTH191

HUSQVARNA CTH192

HUSQVARNA CTH200

HUSQVARNA CTH200 TWIN

HUSQVARNA CTH202 T

HUSQVARNA CTH2036 T

HUSQVARNA CTH2036 TWIN

HUSQVARNA CTH2036 XP

HUSQVARNA CTH2038

HUSQVARNA CTH210 XP

HUSQVARNA CTH2138 R

HUSQVARNA CTH220 TWIN

HUSQVARNA CTH222 T

HUSQVARNA CTH2238 TE

HUSQVARNA CTH2542 T

HUSQVARNA CTH2542 TWIN

HUSQVARNA CTH2542 XP

HUSQVARNA CTH2642 TE

HUSQVARNA LT2317 CMA

HUSQVARNA LT2317 CMA2

HUSQVARNA YTH150 TWIN

HUSQVARNA YTH200 TWIN

HUSQVARNA YTH210 XP

HUSQVARNA

CTH 174, 96051009200, 2013-10

CTH 174, 96051009200, 2013-10

CTH126, 96051000801, 2011-07

CTH140XP, 96061007101, 960610071, 2006-06

CTH163 T, 96051000300, 2011-03

CTH163 T, 96051001700, 2011-05

CTH173, 96051000200, 2011 - 01

CTH173, 96051000201, 2011 - 01

CTH173, 96051001600, 2011-01

CTH173, 96051001601, 2011-01

CTH174, 96051002700, 2011-12

CTH174, 96051002701, 2012-05

CTH174, 96051002701, 2012-05

CTH174, 96051002800, 2011-12

CTH174, 96051002801, 2012-06

CTH174, 96051002801, 2012-06

CTH174, 96051010500, 2013-10

CTH174, 96051010500, 2013-10

CTH210 XP, 96061007900, 2006-01

CTH2138 R, 96051005600, 2012-02

CTH2138 R, 96051005600, 2012-02

CTH2138 R, 96051005601, 2013-01

CTH2138 R, 96051005601, 2013-01

CTH2138 R, 96051012000, 2013-05

CTH2138 R, 96051012000, 2013-05

CTH2138R , 96051012001, 2014-05

TC 238, 96051012600, 2014-08

TC 238, 96051012601, 2015-07

TC138, 96051012400, 2014-07

TC138, 96051012401, 2015-05

TC138, 96051012403, 2016-08

TC138, 96051012404, 2017-09

JONSERED

LT 2316 CMA2, 96051000600, 2011-03

LT 2317 CMA, 96051000500, 2011-03

LT 2317 CMA, 96051000500, 2011-03

LT 2317 CMA, 96051000501, 2011-08

LT 2317 CMA, 96051000501, 2011-08

LT 2317 CMA, 96051000502, 2012-08

LT 2317 CMA, 96051000502, 2012-08

LT 2317 CMA, 96051000503, 2013-05

LT 2317 CMA, 96051000503, 2013-05

LT 2317 CMA, 96051002100, 2011 - 01

LT 2317 CMA, 96051002101, 2011 - 07

LT 2317 CMA, 96051002102, 2012 - 08

LT 2317 CMA, 96051002103, 2013 - 05

LT 2317 CMA2, 96051004300, 2012-01

LT 2317 CMA2, 96051004300, 2012-01

LT 2317 CMA2, 96051004400, 2012-01

LT 2317 CMA2, 96051004400, 2012-01

LT 2317 CMA2, 96051008000, 2012-09

LT 2317 CMA2, 96051008100, 2012-10

LT2317 CMA2, 96051008001, 2013-01

LT2317 CMA2, 96051008101, 2013-01

LT2317 CMA2, 96051011100, 2013-06

LT2317 CMA2, 96051011100, 2013-06

LT2317CMA2, 96051010300, 2013-06

LT2317CMA2, 96051010300, 2013-06

MCCULLOCH

M125-97TC, 96051006001 (2013-01)

M125-97TC, 96051006002 (2013-07)

M125-97TC, 96051006101 (2013-01)

M125-97TC, 96051006102 (2013-07)

M125-97TC, 96051006103 (2014-06)

M125-97TC, 96051014900 (2016-07)

M12597HRB, 96051005000 (2012-01)

M145-97TC, 96051006202 (2013-07)

M14597TC, 96051006201 (2012-12)

M14597TC, 96051006301 (2012-12)

M14597TC, 96051006302 (2013-07)

MURRAY

40370x50B (2000) 40"

40371x50B (2000) 40"

40372x50B (2000) 40"

40377x11B (2000) 40"

40373x51B (2000) 40"

40378x11B (2000) 40"

40379x88 (2000) 40"

40382x58B (2000) 40"

40383x58B (2000) 40"

40379x88 (VRO4016HRX) (1999) 40"

40382x58 (1999) 40"

Zamiennik do oryginalnych nr katalogowych części OEM:

170140 441834 532170140 532 17 01-40 583 03 67-01 532 44 18-34 532 44 18-36 583036701 532441834 532441836 583 56 06-01 583560601

Atrybuty

Atrybuty, cechy, nr referencyjne produktu

Parametry paska

  • Wymiary w calach A111 1/2"x113"
  • Szerokość 13 mm
  • Długość wewnętrzna Li 2 819 mm
  • Długość zewnętrzna La 2 870 mm
  • Profil paska klasyczny V-Belt typ A (4L)
  • Oryginalny numer jak w opisie
  • Bezpieczeństwo

    Bezpieczeństwo, informacje GPSR

    Opinie

    Opinie i recenzje produktu

    0.00
    Liczba ocen: 0
    Oceń i opisz

    Pliki