Pasek jazdy do JONSERED LT2317 LT2318 LT2320 LT2323 CMA2
Wystaw opinię o produkcie
Pasek klinowy napędowy do kosiarki traktorka ogrodowego grupy ELECTROLUX i wielu innych. Traktorki z koszem nowszy typ. Przykładowe zastosowanie: Minitraktory Husqvarna CTH135 CTH150, CTH171, CTH180, CTH200 TWIN, CTH210 XP - napęd jazdy, PARTNER P145107HRB, P185107HRB, P18H107RB, P200107HRB - napęd jazdy
Ceny podane bez kosztów dostawy.
Ceny podane bez kosztów dostawy.
Kod produktu: L00584113J
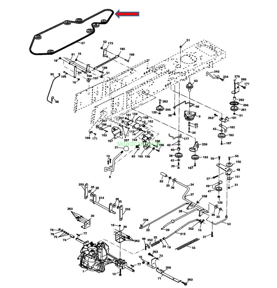
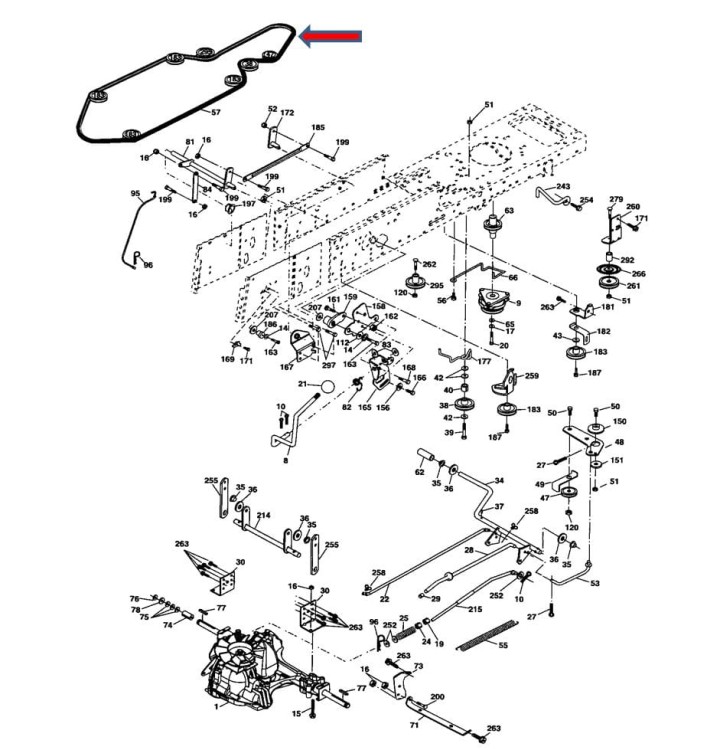
Pasek klinowy napędowy do kosiarki traktorka ogrodowego grupy ELECTROLUX i wielu innych
Traktorki z koszem nowszy typ
Przykładowe zastosowanie:
Minitraktory Husqvarna CTH135 CTH150, CTH171, CTH180, CTH200 TWIN, CTH210 XP - napęd jazdy
Minitraktory CRAFTSMAN 917.254090 - napęd jazdy
Minitraktory PARTNER P145107HRB, P185107HRB, P18H107RB, P200107HRB - napęd jazdy
Minitraktory McCulloch M13592HRB, M185107HRB - napęd jazdy
Minitraktory Husqvarna TC 142T (96051018100) - napęd noży
Wymiary w calach – A112
Wymiary w mm - 12,7 x 2845 ( Długość wewnętrzna Li )
Zamiennik do oryginalnych nr katalogowych części :
Husqvarna / CRAFTSMAN / Partner / McCulloch / AYP : 583 56 64-01, 583566401, 591 06 53-10, 5910653-10, 591065310, 532 44 27-81, 5324427-81, 532442781, 591 06 53-01, 5910653-01, 591065301, 583 56 64-01, 5835664-01, 583566401, 442781, 14993, 12318

HUSQVARNA
CT126, 96041007700 (2009-01)
CTH164 T, 96051003100 (2011-11)
CTH164 T, 96051003200 (2011-11)
CTH164 T, 96051007500 (2012-12)
CTH164 T, 96051009400 (2013-06)
CTH164 T, 96051010700 (2013-07)
CTH164T, 96051007400 (2012-11)
CTH171, 96061018300 (2007-04)
CTH184 T, 96051003300 (2012-01)
CTH184 T, 96051003400 (2012-01)
CTH184 T, 96051007600 (2012-11)
CTH184 T, 96051007700 (2012-11)
CTH184 T, 96051009500 (2013-06)
CTH184 T, 96051010800 (2013-06)
CTH194, 96051002900 (2011-12)
CTH194, 96051002901 (2012-02)
CTH194, 96051002902 (2012-07)
CTH194, 96051003000 (2012-01)
CTH194, 96051003001 (2012-05)
CTH194, 96051009300 (2013-10)
CTH194, 96051010600 (2013-10)
CTH19530, 96051005500 (2012-04)
CTH204 T, 96051005400 (2012-02)
CTH224 T, 96051003500 (2012-02)
CTH224 T, 96051003501 (2012-03)
CTH224 T, 96051003600 (2012-02)
CTH224 T, 96051007800 (2012-11)
CTH224 T, 96051007900 (2012-11)
CTH224 T, 96051010900 (2013-10)
CTH224 T,96051009600 (2013-10)
CTH224 TFI, 96051008300 (2013-10)
CTH224 TFI, 96051011000 (2013-10)
CTH2642 TR, 96051012101 (2014-05)
CTH2642 TRE, 96051005700 (2012-04)
CTH2642TR, 96051012100 (2013-05)
TC 138
TC 139T, 96051014500 (2016-08)
TC 139T, 96051014501 (2017-08)
TC 142
TC 142T
TC 238
TC 238T
TC 239
TC 242, 96051012700 (2014-08)
TC 242, 96051012701 (2015-07)
TC 338, 96051012800 (2014-07)
TC 342, 96051012900 (2014-08)
TC 342, 96051013800 (2015-03)
TC 342, 96051016000 (2016-08)
TC 342T, 96051014800 (2016-08)
TC142, 96051012500 (2014-08)
TC142T, 96051014600 (2016-08)
TC142T, 96051014601 (2017-08)
TC342T, 96051014801 (2017-09)
MCCULLOCH
M155-107TC, 96051006502 (2013-07)
M125-97TC, 96051006102 (2013-07)
M155-107HRB, 96051004100 (2011-11)
M155-107TC, 96051006401 (2012-12)
M155-107TC, 96051006503 (2014-06)
M155107HRB, 96051005100 (2011-12)
M165107HRB, 96051003900 (2011-11)
M185-107TC, 96051006702 (2013-07)
M185-107TC, 96051006703 (2014-05)
M185-107TC, 96051006704 (2015-12)
M185-107TC,96051006701 (2013-01)
M185107HRB, 96051005200 (2011-12)
M185107TC, 96051006601 (2013-01)
M185107TC, 96051006602 (2013-07)
M200-107TC, 96051006801 (2013-01)
M200-107TC, 96051006802 (2013-07)
M200-107TC, 96051006900 (2014-06)
M200-107TC, 96051006901 (2015-03)
M200-107TC, 96051006902 (2016-01)
M200-107TC, 96051010100 (2013-06)
M200107HRB, 96051004000 (2011-12)
M200107HRB, 96051005300 (2011-11)
M220-107TC, 96051007000 (2012-11)
M220-107TC, 96051007001 (2013-01)
M220-107TC, 96051007002 (2013-07)
JONSERED
LT 2317 A2 2011-09 96041026100
LT 2317 CMA2 2012-09 96051008000
LT 2317 CMA2 2012-10 96051008100
LT 2318 CMA2 2012-02 96051004500
LT 2318 CMA2 2012-02 96051004500
LT 2320 CMA2 2012-11 96051007200
LT 2320 CMA2 2012-11 96051007200
LT 2320 CMA2 2012-11 96051007300
LT 2320 CMA2 2012-11 96051007300
LT 2320 CMA2 2013-06 96051008400
LT 2320 CMA2 2013-06 96051008400
LT 2320 CMA2 2013-06 96051011200
LT 2320 CMA2 2013-06 96051011200
LT 2323 A2 2012-01 96041026300
LT 2323 CMA2 2012-02 96051004700
LT 2323 CMA2 2012-02 96051004700
LT 2323 CMA2 2012-03 96051004800
LT 2323 CMA2 2012-03 96051004800
LT2318 CMA 2014-07 96051013100
LT2318 CMA 2014-07 96051013100
LT2320 CMA2 2014-04 96051008401
LT2320 CMA2 2014-04 96051008401
LT2320 CMA2 2015-12 96051008402
LT2320 CMA2 2015-12 96051008402
LT2320 CMA2 2018-08 96051008404
LT2320 CMA2 2018-08 96051008404
LT2320 CMA2 2018-08 96051008404
Atrybuty, cechy, nr referencyjne produktu
Parametry paska
Odpowiedni dobór części zamiennych
Bezpieczeństwo, informacje GPSR
Opinie i recenzje produktu
Jeśli dodałeś/-aś recenzję, a nie pojawiłą się na liście, być może oczekuje na moderację.