Pasek 37X18 37X43 napędu noży Murray 36"
Wystaw opinię o produkcie
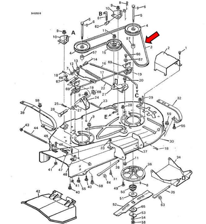
Pasek klinowy napędu noży do kosiarki traktorka Murray deck 36", starsze modele, wyrzut boczny i tylny. Wymiary w calach – A81. Wymiary w mm - 12,7 x 2060 Li (dł. wewnętrzna). Wersja paska klinowego – typ A (4L). Zamiennik do oryginalnych nr katalogowych części: Murray 23347, 37X18, 37X43
Ceny podane bez kosztów dostawy.
Ceny podane bez kosztów dostawy.
Kod produktu: L00508482MU
Pasek klinowy napędu noży do kosiarki traktorka Murray deck 36", starsze modele, wyrzut boczny i tylny
Wymiary w calach – A81
Wymiary w mm - 12,7 x 2060 Li (dł. wewnętrzna)
Wersja paska klinowego – typ A (4L)
Zamiennik do oryginalnych nr katalogowych części:
Murray 23347, 37X18, 37X43

Atrybuty, cechy, nr referencyjne produktu
Parametry paska
Odpowiedni dobór części zamiennych
Bezpieczeństwo, informacje GPSR
Opinie i recenzje produktu
Jeśli dodałeś/-aś recenzję, a nie pojawiłą się na liście, być może oczekuje na moderację.